
Як виглядають наші органи під мікроскопом
Хто винайшов мікроскоп, до цих пір точно не відомо, але безперечний факт полягає в тому, що він відкрив нам новий світ, який донині не до кінця изведан і при цьому настільки яскравий, що привертає увагу більшості людей.
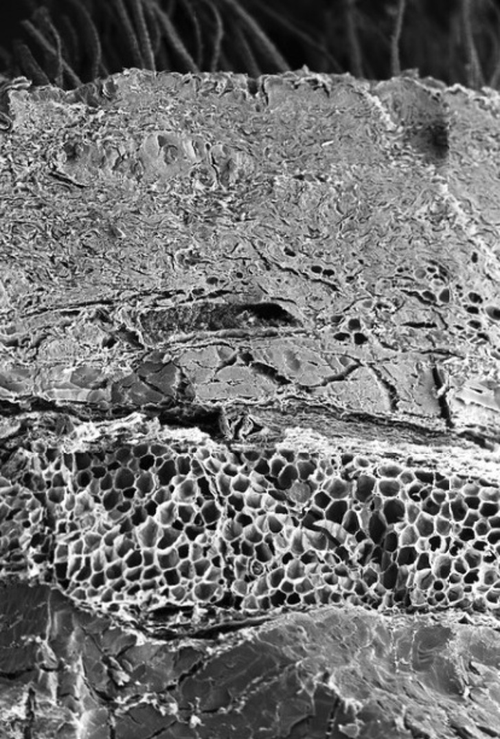
Social.org.ua зібрав 15 зображень різних органів, внутрішніх процесів, ферментів людського тіла, сфотографований під мікроскопом.
Мова
Кістка
Тонкий кишечник
Серце (коронарна артерія)
Шкіра
Очі (сітківка)
Здорові легені
Уражені раком легені
Інші процеси, пов'язані з людським тілом, під мікроскопом
Кров
Овуляція
Волосся
Зуб
Зубний наліт
Кристали інсуліну
Ніготь
Ми не впізнали ні один орган, вперше побачивши ці знімки. А ви? Поділіться своїми враженнями в коментарях.
Фото на превью Picture Science Co / gettyimages








